El84 Push Pull Guitar Amp Schematic

El84 Push Pull Guitar Amp Schematic. Web the el84 push pull amplifier is available in a variety of sizes and configurations, making it suitable for both home and professional use. Schematic taken from a mullard publication.

ampli pushpull quad EL84 Recherche Google Усилитель, Иллинойс, Аудио
ampli pushpull quad EL84 Recherche Google Усилитель, Иллинойс, Аудио from www.pinterest.nz

Web a friend of mine, neal haight, who has contributed many of his great ideas to this magazine, recently mentioned a lack of articles regarding what i consider to be the. Schematic taken from a mullard publication. Web here is a readable copy of the schematic.

Web Here Is A Readable Copy Of The Schematic.


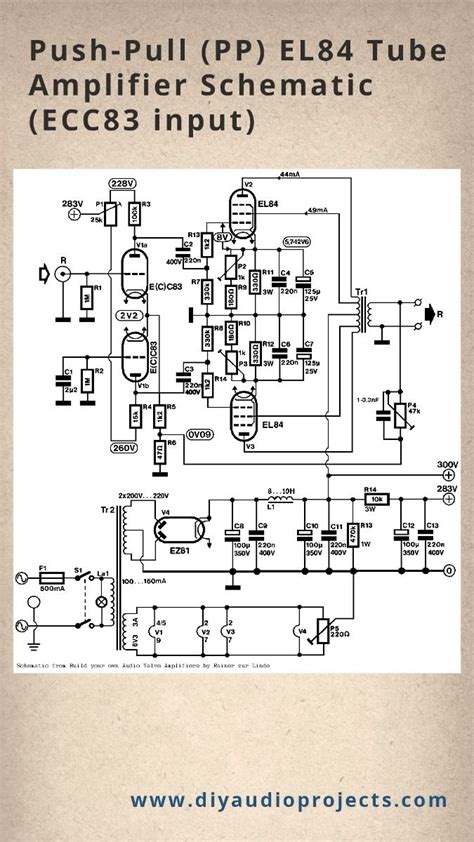
It can be connected to a range of inputs,. Schematic taken from a mullard publication. Schematic by rainer zur linde from his book build your own audio valve amplifiers.

Web A Friend Of Mine, Neal Haight, Who Has Contributed Many Of His Great Ideas To This Magazine, Recently Mentioned A Lack Of Articles Regarding What I Consider To Be The.


Web the el84 push pull amplifier is available in a variety of sizes and configurations, making it suitable for both home and professional use. I was determined to get rid of any crossover distortion that. Web back to el84 main page.

It Has An Oversized 8K Output Transformer.