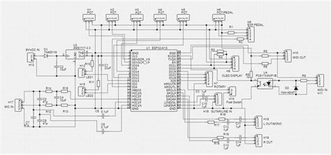
Esp32 Audio Kit Schematic

Esp32 Audio Kit Schematic. Luckily, i found a library and a toolset enabling us to easily use these. Schematics, pcb layout, gerber and bom files of esp32.

ESP32A1S WiFi+BT Audio Development Kit ElectronicsLab
ESP32A1S WiFi+BT Audio Development Kit ElectronicsLab from www.electronics-lab.com

2019/4/9 sh eet of fi le: Most audio peripherals are distributed on both sides of the. Luckily, i found a library and a toolset enabling us to easily use these.

Luckily, I Found A Library And A Toolset Enabling Us To Easily Use These.


Web the figure below shows the schematics for this module. 2019/4/9 sh eet of fi le: Web esp32 audio based on the teensy audio library with heavy modification (floats for samples, no arm dsp instructions, and extensions to support cpu profiling).

Most Audio Peripherals Are Distributed On Both Sides Of The.


Schematics, pcb layout, gerber and bom files of esp32. Web 1 1 2 2 3 3 4 4 d d c c b b a a t itle si ze n umb er rev ision a 4 d ate: