Fender Champion 40 Footswitch Schematic

Fender Champion 40 Footswitch Schematic. Web fender footswitches for amps and audio products: Change your amp settings in seconds.

Věta Refrén Každý fender champion 40 footswitch schematic Proroctví
Věta Refrén Každý fender champion 40 footswitch schematic Proroctví from debbieschlussel.com

This footswitch is the hard angled trapazoid shap that has. 3.3v=phones r75 10k aux in footswitch c16. It gets louder if you turn up the treble and/or the volume and exists on both channels.

This Doesn't Happen On The.


This is a new amp, not the original series from fender. Web need schematic for fender champion 40. Web features 40 watts 12” fender special design speaker two channels, single input reverb, delay/echo, chorus, tremolo, vibratone and other effects different amp voicings and.

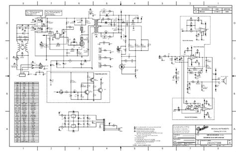
Web Does Anyone Have (Or Know Where I Can Get) A Schematic For Fender Footswitch P/N 0055592000?


This footswitch is the hard angled trapazoid shap that has. Web smps parts could carry lethal voltages even when disconnected from mains. We offer genuine fender footswitches for vintage and modern amplifiers.

Web Save Save Fender Champion Schematic For Later.


Change your amp settings in seconds. 3.3v=phones r75 10k aux in footswitch c16. So the diy/mod plans so far are.

The Challenge Is That Its Not A Simple.


Web here are hundreds of original fender schematics and layout diagrams, available for free viewing and download. Web view online or download pdf (3 mb) fender champion™ 20, champion™ 40 owner's manual • champion™ 20, champion™ 40 soundbar speakers pdf manual download. There's an annoying hissing sound (like tape hiss).

It Gets Louder If You Turn Up The Treble And/Or The Volume And Exists On Both Channels.


These are invaluable reference tools if you are digging around. [ ] add a 1/4 jack/plug so that i can reuse it as a cab. Web i am wanting to build a 2 button footswitch for my sons champion 40 but haven't been able to find a schematic that works.