John Deere F525 Wiring Schematic

John Deere F525 Wiring Schematic. Web oct 9, 2022 / john deere f525 wiring schematic and parts diagram. Web john deere f510 f525 residential front mowers technical manual tradebit.

John Deere F525 Wiring Diagram Free Wiring Diagram
John Deere F525 Wiring Diagram Free Wiring Diagram from ricardolevinsmorales.com

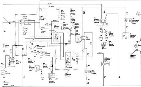
Web components of the f525 mower electrical schematic the john deere f525 mower electrical schematic consists of various components, such as: Web a wiring diagram for john deere f525 provides the user with a detailed visual aid of the electrical components and their wiring. Electrical with our free parts lookup tool!

Electrical With Our Free Parts Lookup Tool!


Web a wiring diagram for john deere f525 provides the user with a detailed visual aid of the electrical components and their wiring. Web find parts for your john deere main wiring harness & switches: Equipmentgarage.com before reading the schematic, get acquainted and understand each of the symbols.

Web This Detailed Diagram Gives You A Visual Representation Of The Wiring, Components And Connections That Make Up The Electrical System In The F525 Mower.


Web components of the f525 mower electrical schematic the john deere f525 mower electrical schematic consists of various components, such as: Web need an electrical schematic for a john deere f525? Web would any have a wiring diagram for a jd f525?

Web John Deere F525 Mower Operators Manual.


John deere f525 front deck lawn mower rear body hood panel cover am132382 f510. Web john deere f525 wiring diagram source: Web john deere f525 wiring diagramjohn deere f525 wiring harnessjohn deere f525 service manualjohn deere f525 user manualjohn deere f525 manual.

Web Its Fuel Capacity Is 6.8 Gallons, And Its Oil Capacity Is 2.6 Quarts.


First that engine listed for the f510. Now let’s move on to the john deere f525 mower electrical schematic. Web wiring diagrams and manuals cost big bucks beware of serial number breaks wiring changes depending the bells and whistles added from year to year good luck see.

Web Oct 9, 2022 / John Deere F525 Wiring Schematic And Parts Diagram.


Have no idiot lights and would like to repair low fuel light. Wiring diagrams are typically included. Trying to find a schematic for jd lx266 mower.