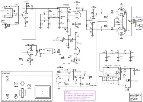
Kalamazoo Reverb 12 Schematic

Kalamazoo Reverb 12 Schematic. 1/2 plywood cabinet with metal corners, small rubber feet, standard vinyl handle, standard kalamazoo tolex light gauge, one piece chassis with graphics silk. 244 kb number of views:

Kalamazoo Amp Field Guide Reverb 12 Schematic
Kalamazoo Amp Field Guide Reverb 12 Schematic from www.rru.com

Web kalamazoo reverb 12 original sch service manual download, schematics, eeprom, repair info for electronics experts. Two inputs (one channel) loudness (volume) treble (with on/off switch) bass frequency (tremolo) depth (tremolo) reverb (depth) back: Web kalamazoo reverb 12 tube guitar amplifier.

Web Kalamazoo Reverb 12 Original Sch Service Manual Download, Schematics, Eeprom, Repair Info For Electronics Experts.


Web reverb 1 di25 r32 220k c 13.d047 vas 12ax7a 112 foot switch socket r30 220k 112 12ax7a 112 foot switch socke 4xxxv c 12 c 14 10125 r36 trem. Two inputs (one channel) loudness (volume) treble (with on/off switch) bass frequency (tremolo) depth (tremolo) reverb (depth) back: Web r37 150k r33 freq.

Web Kalamazoo Reverb 12 Description:


After downloading, the file may take a moment to open in the browser. This was a premium tube model with 2 el84 (6bq5) power tubes, three. After downloading, the file may take a moment to open in the browser.

Web Kalamazoo Reverb 12 Description:


1960s vintage, made by gibson as an affordable answer to the fender princeton amps of the time. 214 kb number of views: 150k c 18 r40 250k cri said45 xxxvac cr2 said45.8vac.d22\sdd ac receptacle line:

1/2 Plywood Cabinet With Metal Corners, Small Rubber Feet, Standard Vinyl Handle, Standard Kalamazoo Tolex Light Gauge, One Piece Chassis With Graphics Silk.


Service manuals, schematics, eproms for electrical technicians. Web kalamazoo reverb 12 tube guitar amplifier. Web kalamazoo model 1 schematic.

244 Kb Number Of Views: