Ldmos Hf Amplifier Schematic

Ldmos Hf Amplifier Schematic. Use for ldmos blf188xr / mrf1k50 / mrfx1k80. Fast input overdrive protection, output vswr protection, temperature protection, different gate bias settings.

1kW 1.830MHz, 700W 50MHz HF POWER AMPLIFIER BOARD for LDMOS BLF188XR/XRS
1kW 1.830MHz, 700W 50MHz HF POWER AMPLIFIER BOARD for LDMOS BLF188XR/XRS from dn-radio.com

Use for ldmos blf188xr / mrf1k50 / mrfx1k80. Web measured complex impedance of the mrf101an ldmos vhf power amplifier prototype. Web package include printed schematic and information guide.

Fast Input Overdrive Protection, Output Vswr Protection, Temperature Protection, Different Gate Bias Settings.


Parts color may different from photos depend on. The amplifier uses four motorola mrf150 50 volt tmos power fets. To test the output power of the power amplifier, a simple fm transceiver delivering.

Board Is Assembled As In Photos.


Web the simplicity of the schematic is striking. Thanks firefox 88.0 windows 7. Web 600 watt hf amplifier.

Build At Your Own Risk.*****.


Pallet, controller board, antenna switch and low pass filter ? Web hi.anyone have project for ldmos hf amplifier ? Web measured complex impedance of the mrf101an ldmos vhf power amplifier prototype.

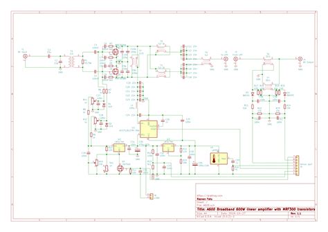
Schematics Plans By K9Gdt And All Infos To Build A 600 Watt Hf Amplifier.


Use for ldmos blf188xr / mrf1k50 / mrfx1k80. Originally designed by motorolla, then. Web package include printed schematic and information guide.

The Polarization Of Q1 Mosfet Gate Has Thermal Compensation By Means Of The D1 Diode.


Web high performance ldmos amplifier protection circuit main features: