Line 6 Spider Schematic

Line 6 Spider Schematic. This manual comes under the category receivers and has been rated by 10 people with an average of a 8.6. All i've been able to find on google is the attached spider valve 212.

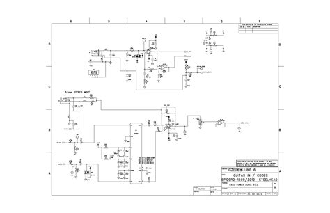
Line6 Spider 15w Ii3012 1508 Amplifier Schematic
Line6 Spider 15w Ii3012 1508 Amplifier Schematic from www.scribd.com

Web spider ii power supply schematics. We have 1 line 6 diagram, schematic or service manual, and it's free to download! Line6 spider 15w ii3012 1508.

Not Quite Ground Pin 6 + 5 Vdc Pin 7 + 5 Vdc Pin 8 + 5 Vdc Pin 5 Seemed Kind Of Odd To Me, So I Shorted It.


This page contains information about the user manual for the spider iii 75 from line 6. Web pin 1 ground pin 2 + 5 vdc pin 3 + ground pin 4 + 5 vdc pin 5 +.1 ? This manual comes under the category receivers and has been rated by 5 people with an average of a 8.4.

Please Select Your Desired Model Below.


Line6 spider 15w ii3012 1508. Web spider ii 3012/1508 theory of operation august 29, 2004. Web after ~10 minutes of monitoring without smoke or smells, i checked the heater voltages:

Next, I Flipped The Standby Switch On And.


All i've been able to find on google is the attached spider valve 212. © all rights reserved available formats download as pdf, txt or read. Spider ii 15w service manual.

This Manual Comes Under The Category Receivers And Has Been Rated By 10 People With An Average Of A 8.6.


Web spider ii power supply schematics. Web line 6 spider iv 3012 schematic and bom.pdf 9365 audio schematics and service manuals files magnet collections. Web download line6 spider 15w ii3012 1508 sm service manual & repair info for electronics experts service manuals, schematics, eproms for electrical technicians this site helps.

Spider Ii Hd Technical Bulletins #020.


Web view the manual for the line 6 spider iv 75 here, for free. Web #1 hi all, does anyone have a line 6 spider valve 112 schematic they can share? Home manuals line 6 spider iii 75 user manual.