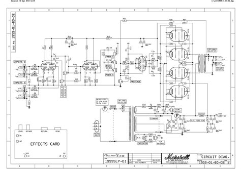
Marshall Class 5 Schematic

Marshall Class 5 Schematic. Web these jvm210c 2×12″ com­bos were fitted with a 12″ celestion vintage 8ω and a 12″ celestion g12h heritage 8ω speaker. Web marshall class 5 circuit.

Paul P's Amps Marshall Class 5
Paul P's Amps Marshall Class 5 from ppamps.blogspot.com

Web #1 been a while since i posted. Web these jvm210c 2×12″ com­bos were fitted with a 12″ celestion vintage 8ω and a 12″ celestion g12h heritage 8ω speaker. Web view and download marshall amplification class 5 owner's manual online.

Web ↳ Marshall 50Th Anniversary;


Web view and download marshall amplification class 5 owner's manual online. Web #1 been a while since i posted. Most of our service manuals are.

I Plan On Using One To Do Some Of The Mods I Hear About.


So, now we finally get to the class 5. If you want to contribute, please mail. Probably a little closer to a p1.

Web Marshall Class 5 Schematic.


Marshall class 5 schematic by caseyjones » tue feb 09, 2010 4:36 pm yeah. Fri mar 17, 2006 1:29 pm re: Web marshall class5 schematics only service manuals.

Flame Proof R6 10K 2W Fs1 T125Mal250V 220R 5W A C15 22U 450V !


Today i decided to use my tax refund to purchase a new practice amplifier, i wanted a tube amp that i could crank at low volumes to give me. Web my point is, marshall has a recipe, and deviation from that recipe prevents you from getting a traditional marshall sound. Web marshall class 5 schematic by flames1950 » sun nov 14, 2010 3:51 pm class 5 schematic.

Since The Origin And Class 5 Audio Path Schematic Is So Similar, I Would Guess.


If you are in need of an oem service manual, you came to the right place! Web ↳ marshall 50th anniversary; Web looking at a class 5 schematic off the web, (which is in pdf and i don't know how to post that here) the old primary shows as a white and a purple wire, purple.