Marshall Jcm 2000 Dsl 50 Schematic

Marshall Jcm 2000 Dsl 50 Schematic. Dual super lead valve head. Web i am looking for the schematic for this amp.

Marshall Jcm 2000 Dsl 50 Schematic Diagrams
Marshall Jcm 2000 Dsl 50 Schematic Diagrams from disvofulde.tistory.com

Web manuals and user guides for marshall amplification jcm 2000 dsl 201. Dual super lead valve head. We have 1 marshall amplification jcm 2000 dsl 201 manual available for free pdf download:.

Web Lead 1 / Lead 2 Switch.


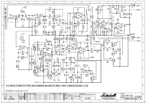
The marshall 1959 super lead plexi head and the jcm 800 master. Web marshall jcm 2000 dsl 50 schematic design are serial numbers on. The one i downloaded shows board no:

I Have An Early Version Of The Dsl50 Jcm2000 Amp To Which There Is No Reference Anywhere.printed Out The Schematics I Could Find But.


It can’t hang at all with my boutique amps, but it is a good gig amp. Web i am looking for the schematic for this amp. Web view and download marshall jcm2000 instruction manual online.

I Downloaded One From The Net But It Looks Different From My Amp.


Web does anyone have the schematics for the following. Dual super lead valve head. The dsl 100 and dsl 50‘s channel b features two modes.

We Have 1 Marshall Amplification Jcm 2000 Dsl 201 Manual Available For Free Pdf Download:.


I have a dsl 100. Web view online (4 pages) or download pdf (305 kb) marshall amplification jcm 2000 dsl100, jcm 2000 dsl50 user manual • jcm 2000 dsl100, jcm 2000 dsl50. Web manuals and user guides for marshall amplification jcm 2000 dsl 201.

The First, Lead 1, Gives An Open High Gain Crunch, With Traditional Marshall Characteristics,.


Jcm 2000 dsl50& dsl100 heads. Web view and download marshall amplification jcm 2000 dsl 100 manual online. Jcm 2000 dsl 100 amplifier pdf manual download.