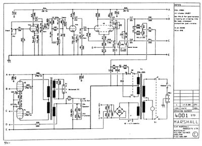
Marshall Studio 15 Schematic

Marshall Studio 15 Schematic. If you want to contribute, please mail your. This is the 1 pages manual for marshall 4001 studio 15 schematic.

MARSHALL STUDIO15 4001 SCH Service Manual download, schematics, eeprom
MARSHALL STUDIO15 4001 SCH Service Manual download, schematics, eeprom from elektrotanya.com

Web marshall studio 15 4001 service manuals. Help me to keep this site with no. Web marshall 4001 studio 15 schematic.

Read Or Download The Pdf For Free.


Web i would ask marshall but i don't own one yet so i don't have the numbers to give them. Jun 24, 2015 #4 ask ampmadscientist, hes a tech and can get them. The only marshall to use 6v6's.

This Is The 1 Pages Manual For Marshall 4001 Studio 15 Schematic.


Web schematic wont load for me. Web in this video i demonstrate a 1987 marshall studio 15, model 4001, 1x12 combo. If you want to contribute, please mail your.

Web Marshall 4001, Aka Studio 15.


Web here's a link to the studio 15 schematic: Web marshall studio 15 4001 service manuals. Web marshall dsl 15 h mod help.

Web View And Download Marshall Studio15 Instruction Manual Online.


Web marshall 4001 studio 15 schematic 1. Web marshall 4001 studio 15 schematic. After the following mods (schematic attached):

This Is The 1 Pages Manual For Marshall 4001 Studio 15 Schematic 1.


Web marshall studio 15 (model 4001) made 1989.service, including circuit description.bias adjustment.power measurement.sound tests. From what i can see the switch has two sections, one is to shut down the. Web here is a link to a schematic for a marshall studio 15 that i'm considering cloning:.