Marshall Valvestate Vs100 Schematic

Marshall Valvestate Vs100 Schematic. Valvestate vs15 amplifier pdf manual download. Web the marshall valvestate vs100 head is a 100 watt hybrid amplifier with a solid state power section and a tube preamp.

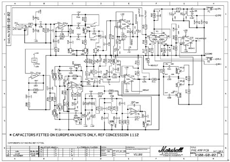
Marshall Valvestate Vs100 Circuit Diagram diagram wiring power amp
Marshall Valvestate Vs100 Circuit Diagram diagram wiring power amp from diagramwiringpoweramp.blogspot.com

Posted by goofy on the marshall valvestate vs265 is a 130 watt, solid state/valve hybrid combo amp. Web the marshall valvestate vs100 head is a 100 watt hybrid amplifier with a solid state power section and a tube preamp. Valvestate vs100r musical instrument amplifier pdf manual download.

Web The Marshall Valvestate Vs100 Head Is A 100 Watt Hybrid Amplifier With A Solid State Power Section And A Tube Preamp.


Valvestate vs100r musical instrument amplifier pdf manual download. I did like it a lot at the time because i could keep it switched on. Web valvestate vs100 review:

Web The Concept Behind Marshalls’ Revolutionary Valvestate™ Technology Is To Simulate The Performance Of A Marshall Valve Power Stage Without Actually Using Power Valves.


Web view and download marshall vs100 instruction manual online. Web the vs100 transformer is not stocked. Web rich bass response and sensitivity give valvestate amps that special marshall ''feel which is a joy to play!

I Bought This Amp In The Late 90S.


Web valvestate vs100 full stack.cabs: Web view and download marshall amplification valvestate vs15 handbook online. Look at the schematics for more recent models like avt100 and avt150.

Web View And Download Marshall Amplification Valvestate Vs100R Handbook Online.


Photograph of a vs102r combo. They also are solid state amps with a single. Owners manual for the vs100, vs100rh & vs102.

Posted By Goofy On The Marshall Valvestate Vs265 Is A 130 Watt, Solid State/Valve Hybrid Combo Amp.


Web someone has done some mods in it and i'd like to repair it. To achieve the full dynamic potential of valvestate power, we designed. Web 10k views 2 years ago.