Power Amplifier Schematic Diagram

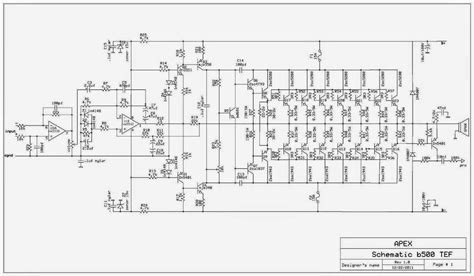
Power Amplifier Schematic Diagram. Web this is linear power amplifier 2000 watt which need advance knowledge in electronics since the schematic diagram is very complex for hand made circuit. Web the audio power amplifier section uses only three transistors and a few resistors and capacitors in a shunt feedback configuration to deliver more than 18w into.

High Performance Power Amplifier 400 Watt Electronic Circuit
High Performance Power Amplifier 400 Watt Electronic Circuit from www.elcircuit.com

Web download scientific diagram | circuit schematic of the power amplifier. Web the diagram of a schematic for a class h power amplifier can be quite complex, as there are numerous components involved. A powerful stereo amplifier design using lm4780 audio amplifier ic from national semiconductors.

Web This Is Linear Power Amplifier 2000 Watt Which Need Advance Knowledge In Electronics Since The Schematic Diagram Is Very Complex For Hand Made Circuit.


The optimal supply voltage is. This is the circuit diagram of 2000w class ab power amplifier uses 7 pairs mj15003 and mj15004. Web the audio power amplifier section uses only three transistors and a few resistors and capacitors in a shunt feedback configuration to deliver more than 18w into.

Web 2000W Class Ab Power Amplifier.


Web 2n3055 power amplifier schematic circuit diagram wise techdecember 21, 2020 0211 less than a minute simple and low cost. A powerful stereo amplifier design using lm4780 audio amplifier ic from national semiconductors. Web download scientific diagram | circuit schematic of the power amplifier.

I Think You Have To.


Web 120w stereo amplifier circuit : At the heart of the design is the. Web at the heart of the schematic diagram of 500w power amplifiers lies the amplifier circuit.

Web This Is A Very High 1500W Power Amplifier Circuit Diagram By Rod Elliott.


The circuit is built using 10 pairs of power transistor mj15024 and mj15025 (or mj21193/mj21194), then it. Web the diagram of a schematic for a class h power amplifier can be quite complex, as there are numerous components involved.