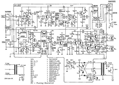
Roland Cube Street Schematic

Roland Cube Street Schematic. Web this channel provides information of the roland's best quality electronic musical instruments. This app expands the usability of the amplifier with various functions such as added effect types, customized panel settings, stereo link mode, saving and loading.

Gitárhangtechnika.hu
Gitárhangtechnika.hu from gitarhangtechnika.ghost.hu

Provides an overview of key features, functions and operational tips. Scribd is the world's largest social reading and publishing site. Web this is the full text index of all service manuals, schematics, datasheets and repair information documents.

Web Manuals And User Guides For Roland Cube Street.


Web by installing, copying, or starting the use of the software, you hereby consent to the terms of this license agreement. Web saluran ini menyediakan informasi tentang instrumen musik elektronik berkualitas dari roland. Owner's manual, training manual roland.

Grant Of License Roland Grants You The.


Famous roland cosm amp models and efx on guitar channel 5. This manual comes under the category speakers and has been rated by 4 people with an average of a 8.5. Web knowledge base support by product get the latest updates/drivers, owner’s manuals, and support documents for your product.

Web Cube Street Ex Owner's Manuals [English] Cube Street Ex Owner's Manual [Deutsch] Cube Street Ex Owner's Manual [Français] Cube Street Ex Owner's Manual [Italiano].


Memberikan gambaran umum tentang fitur utama, fungsi dan tip operasional. Files are decompressed (supported zip and rar multipart. Web by installing, copying, or starting the use of the software, you hereby consent to the terms of this license agreement.

Provides An Overview Of Key Features, Functions And Operational Tips.


Web roland cube street schematic/circuit diagram. This app expands the usability of the amplifier with various functions such as added effect types, customized panel settings, stereo link mode, saving and loading. Web if someone has a schematic or service manual for a roland cube street amp they can share, it would be much appreciated.

View The Manual For The Roland Cube Street Here, For Free.


Web roland cube 80xl schematics.pdf 9365 audio schematics and service manuals files magnet collections. Scribd is the world's largest social reading and publishing site. We have 2 roland cube street manuals available for free pdf download: