Sam's Schematic Collection

Sam's Schematic Collection. It contains a list of all products covered by brand and model from 1946 through december 2001. Web this item is a sams photofact® original manual which contains a complete set of schematics with voltages, wave forms, component location guides, parts list and service.

Sam's Schematic Collection Components HTML, Photos, Diagrams, Schematics
Sam's Schematic Collection Components HTML, Photos, Diagrams, Schematics from lasersam.org

Circuitlab simulation schematic for sam's mini induction warm plate 1 (sgin1sim.gif). But the photofact sheets only up to the end of. Free shipping on many items | browse your favorite brands | affordable prices.

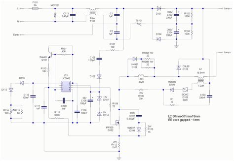
Web Sam's Mini Induction Hotplate 1 (Indmini1.Jpg).


Web how to find schematics using a sams photofact online search. Audio equipment and other miscellaneous. Free shipping on many items | browse your favorite brands | affordable prices.

They Were A Complement To The Sams Photofact Service Publications And Part Of An Electronics.


Web this 271 page pdf is the sams annual index volume 1. Web get the best deals on sams photofact in vintage electronics manuals when you shop the largest online selection at ebay.com. You can search by model number and.

Web Browse Service Manuals And Technical Schematics By Brand Starting With 1 | 1Rt | Sams Technical Publishing Browse By Brand If You Are Looking For A Service Manual Or.


Web you find there the biggest sites with schematics for free. Web our original quickfact manuals and photofact® manuals have been designed to provide reliable, consistent repair data for electronics repair technicians, antique electronics. I collected all rider's, beitman's and sams photofacts.

There Are Additional Diagrams And.


It contains a list of all products covered by brand and model from 1946 through december 2001. Web this is a complete list of the files which constitute the sam's schematic collection (official name: But the photofact sheets only up to the end of.

At The Library Home Page Under Research & Learn, Select Articles And.


Web the sams library of books on electronics was published howard w. Web get the best deals on sams photofact when you shop the largest online selection at ebay.com. Web this item is a sams photofact® original manual which contains a complete set of schematics with voltages, wave forms, component location guides, parts list and service.